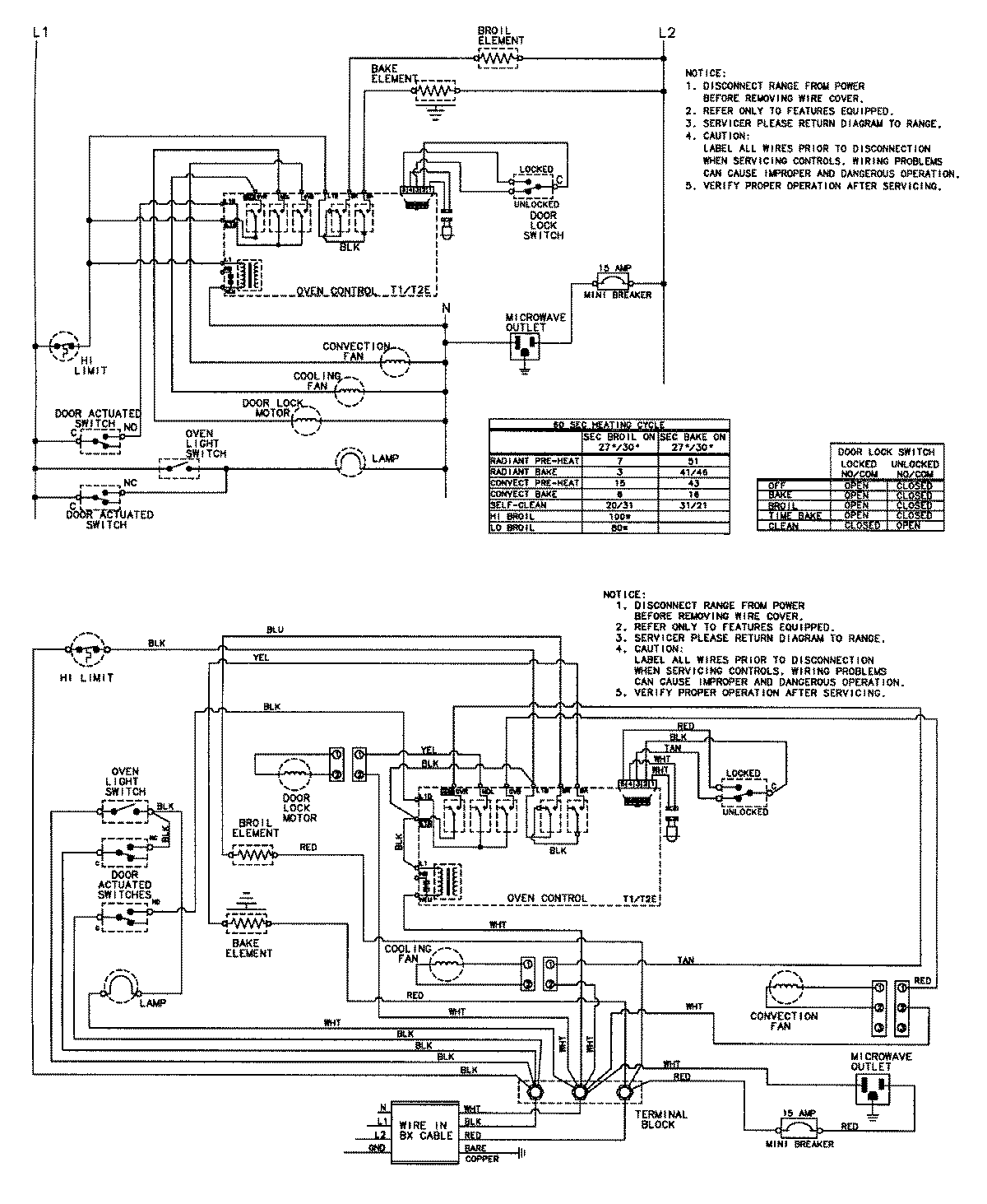
JJW8127AAB 06 – WIRING INFORMATIONadmin2025-04-26T09:34:43+00:00JJW8127AAB 06 – WIRING INFORMATION ProductsPositionProductNIMAY 15002627