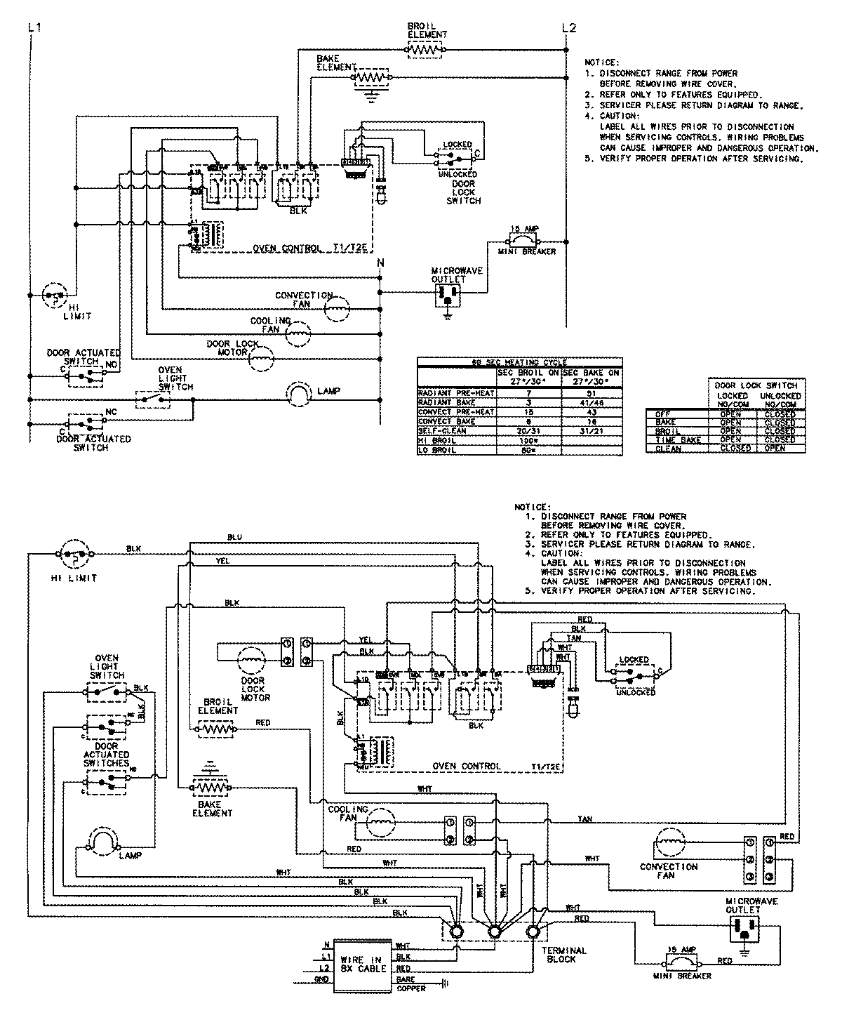
JJW8127AAW 06 – WIRING INFORMATIONadmin2025-04-26T09:33:41+00:00JJW8127AAW 06 – WIRING INFORMATION ProductsPositionProductNIMAY 15002627