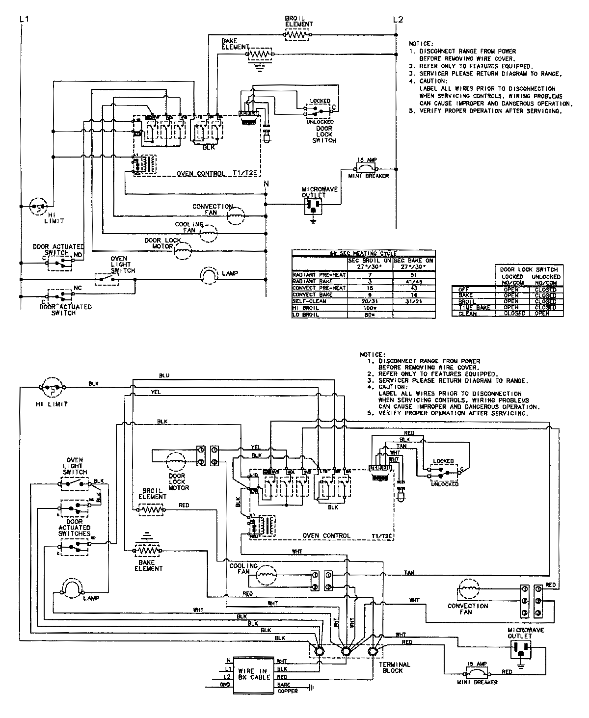
JJW8130AAB 06 – WIRING INFORMATIONadmin2025-04-26T09:32:45+00:00JJW8130AAB 06 – WIRING INFORMATION ProductsPositionProductNIMAY 15002627