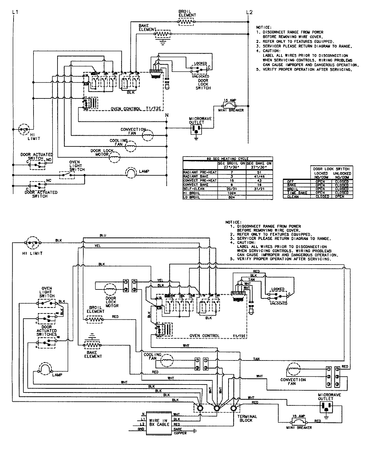
JJW8130AAW 06 – WIRING INFORMATIONadmin2025-04-26T09:32:05+00:00JJW8130AAW 06 – WIRING INFORMATION ProductsPositionProductNIMAY 15002627