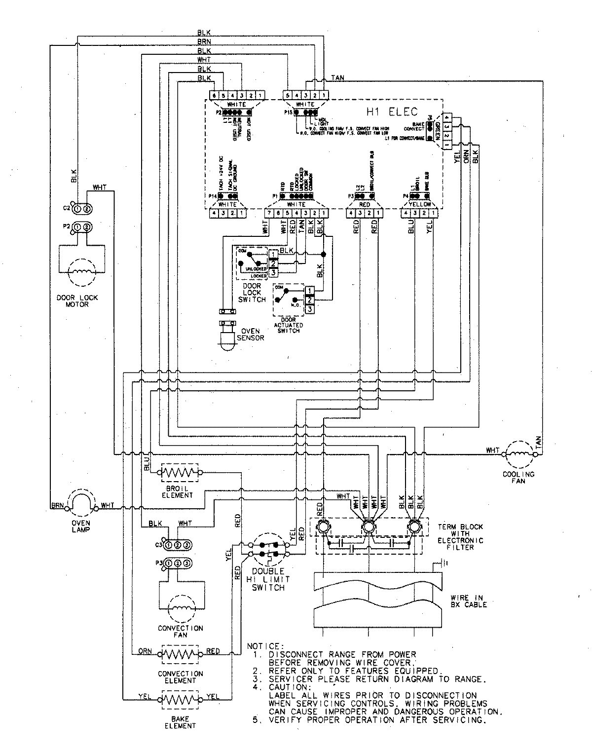
JJW8130DDB 06 – WIRING INFORMATIONadmin2025-04-26T09:32:10+00:00JJW8130DDB 06 – WIRING INFORMATION ProductsPositionProductNIMAY 15003252