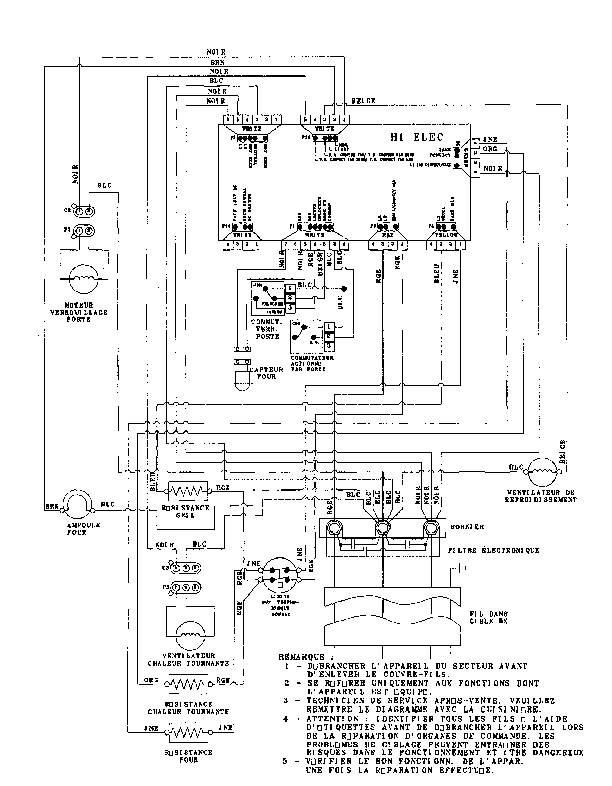
JJW8130DDB 07 – WIRING INFORMATIONadmin2025-04-26T09:31:31+00:00JJW8130DDB 07 – WIRING INFORMATION ProductsPositionProduct1MAY 15003253