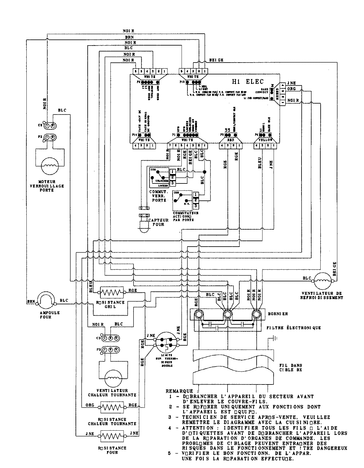
JJW8130DDS 07 – WIRING INFORMATIONadmin2025-04-26T09:32:38+00:00JJW8130DDS 07 – WIRING INFORMATION ProductsPositionProduct1MAY 15003253