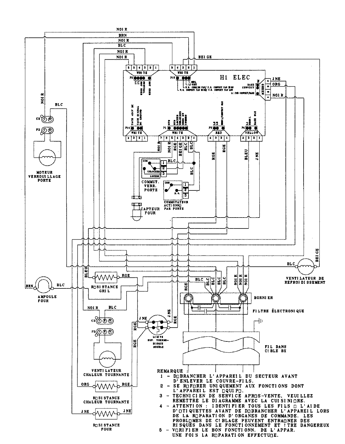
JJW8130DDW 07 – WIRING INFORMATIONadmin2025-04-26T09:33:12+00:00JJW8130DDW 07 – WIRING INFORMATION ProductsPositionProduct1MAY 15003253