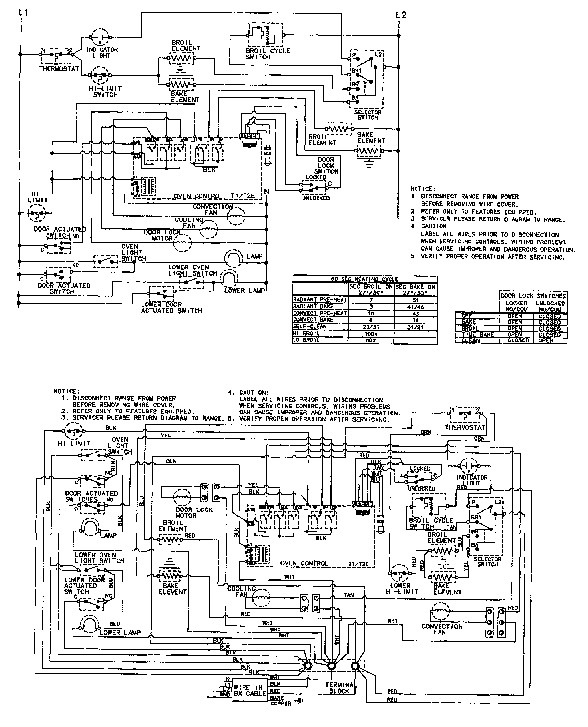
JJW8227AAB 06 – WIRING INFORMATIONadmin2025-04-26T09:30:57+00:00JJW8227AAB 06 – WIRING INFORMATION ProductsPositionProductNIMAY 15002629