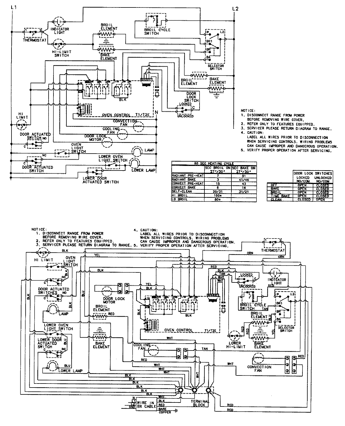
JJW8230AAB 06 – WIRING INFORMATIONadmin2025-04-26T09:32:43+00:00JJW8230AAB 06 – WIRING INFORMATION ProductsPositionProductNIMAY 15002629