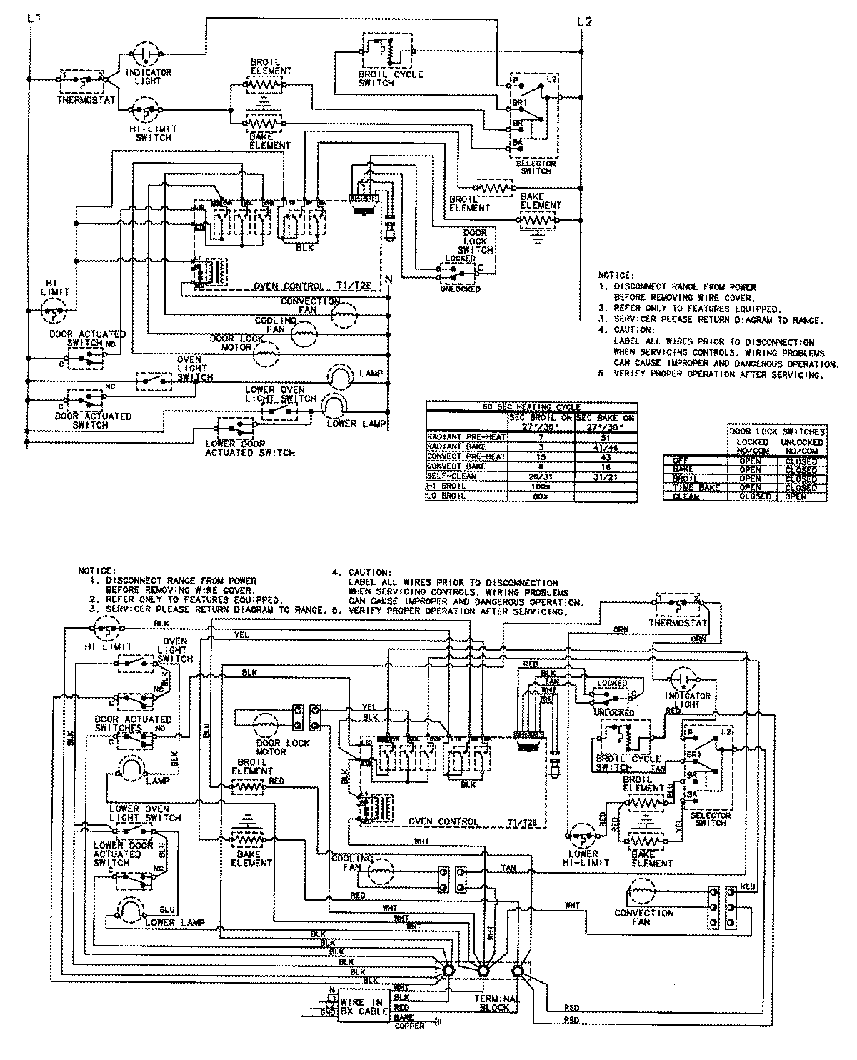
JJW8230AAW 06 – WIRING INFORMATIONadmin2025-04-26T09:31:43+00:00JJW8230AAW 06 – WIRING INFORMATION ProductsPositionProductNIMAY 15002629