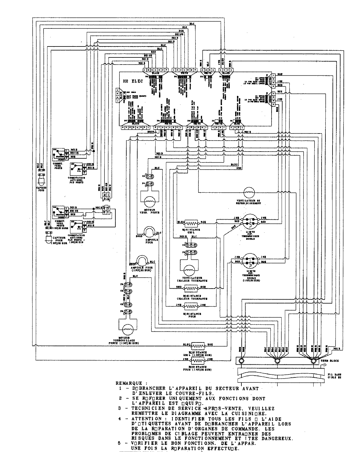
JJW8230DDS 07 – WIRING INFORMATION (FRC)admin2025-04-26T09:32:29+00:00JJW8230DDS 07 – WIRING INFORMATION (FRC) ProductsPositionProduct1MAY 15003245