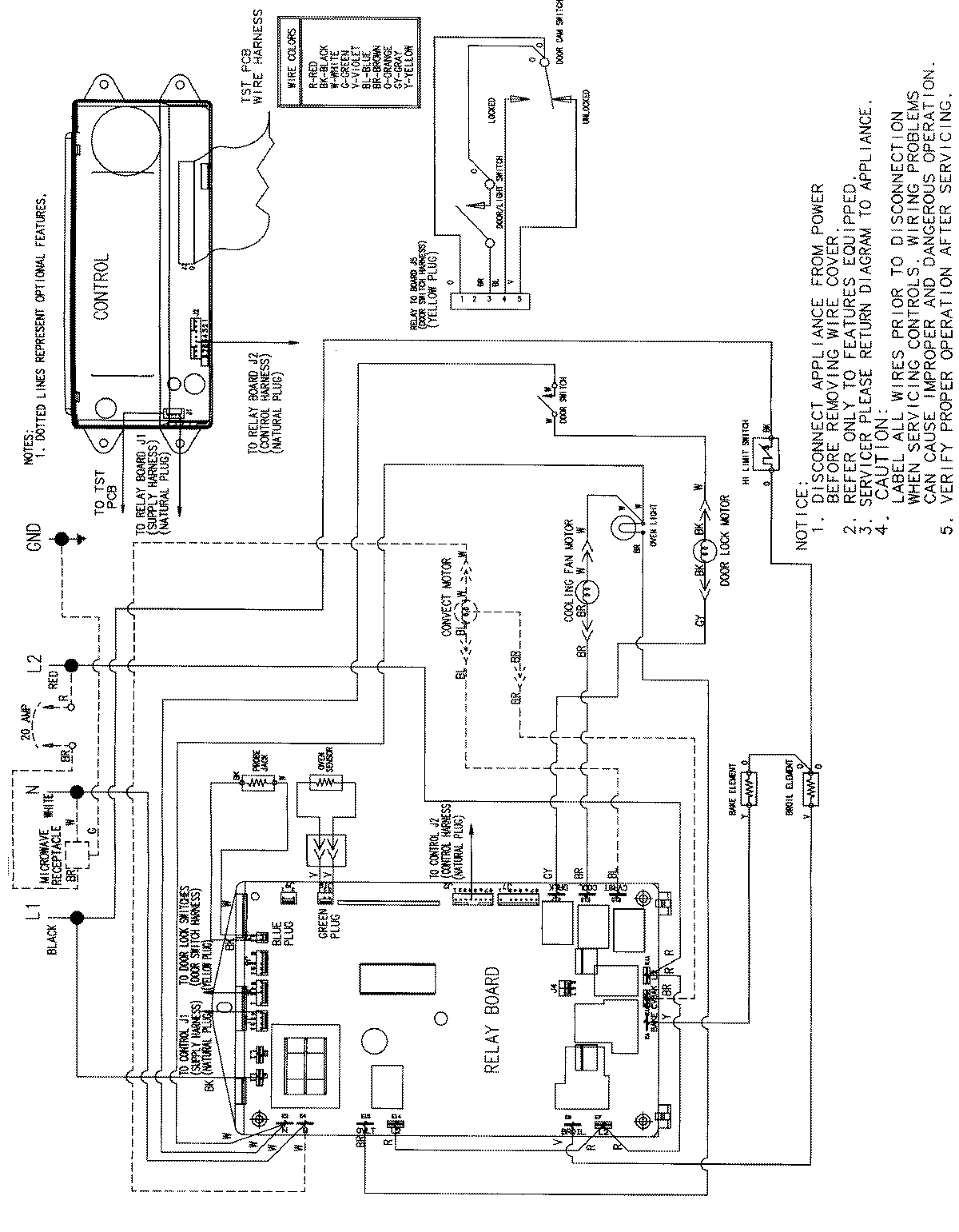
JJW8527AAW 06 – WIRING INFORMATION

JJW8527AAW 06 – WIRING INFORMATION

Products

PositionProduct
NIMAY 15002514