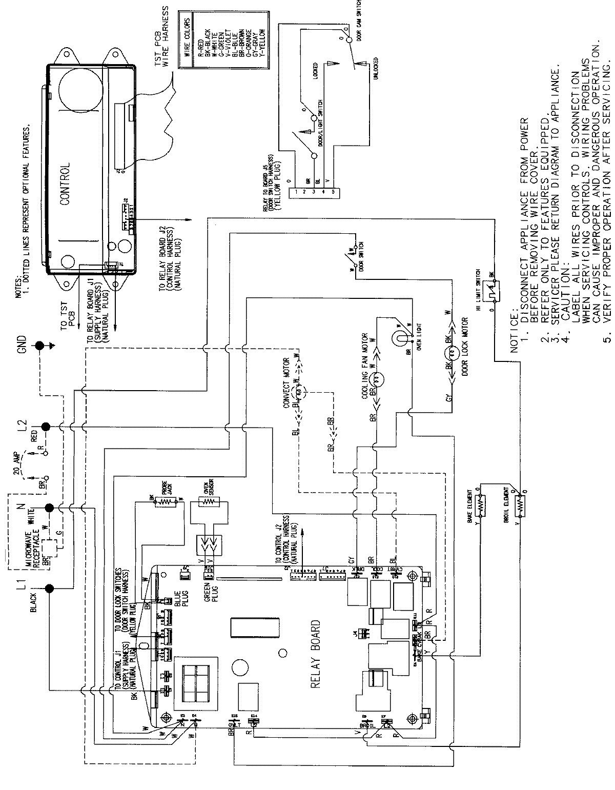
JJW8527BAW 06 – WIRING INFORMATIONadmin2025-04-26T09:33:45+00:00JJW8527BAW 06 – WIRING INFORMATION ProductsPositionProductNIMAY 15002514