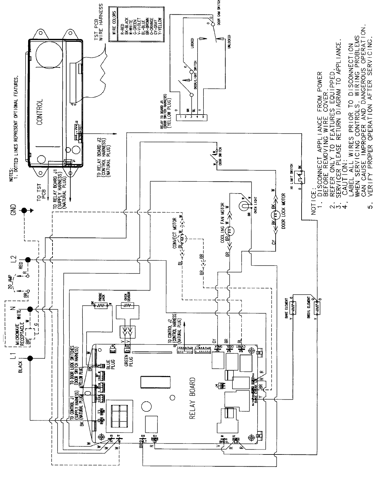
JJW8527CAB 06 – WIRING INFOMATION

JJW8527CAB 06 – WIRING INFOMATION

Products

PositionProduct
NIMAY 15002514