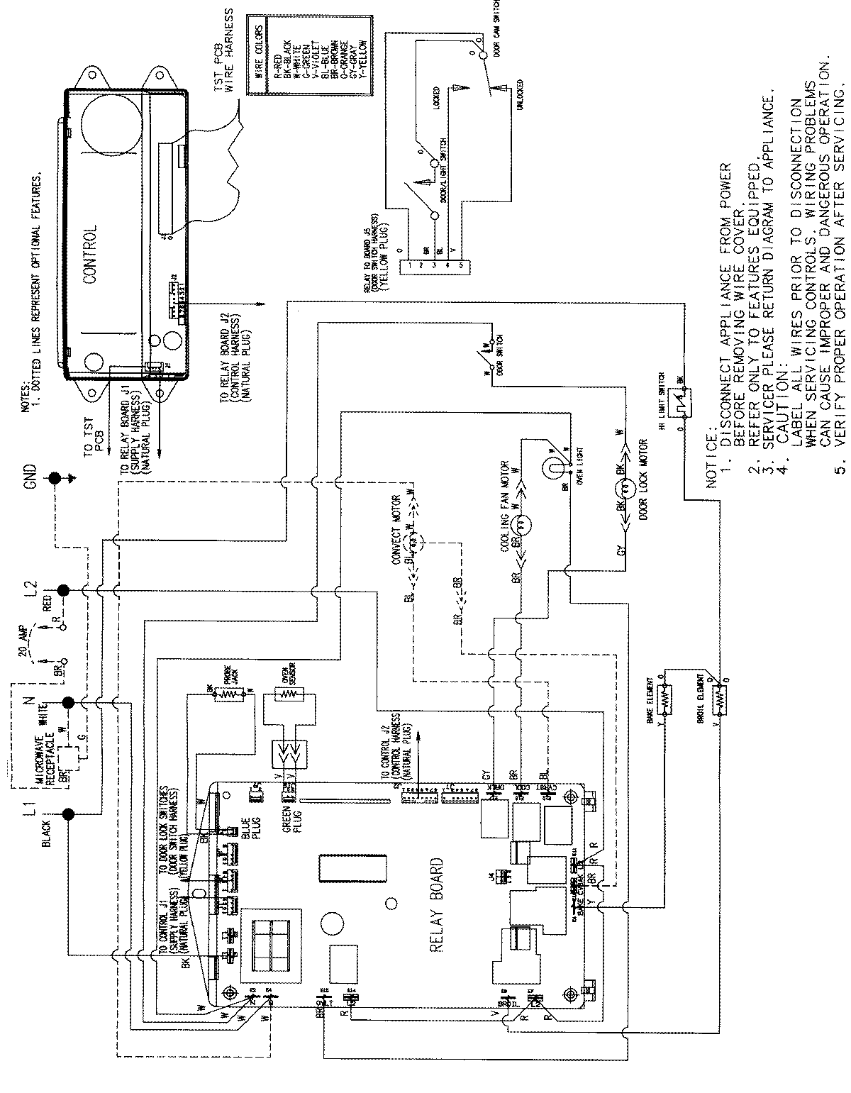
JJW8527CAS 06 – WIRING INFOMATIONadmin2025-04-26T09:32:22+00:00JJW8527CAS 06 – WIRING INFOMATION ProductsPositionProductNIMAY 15002514