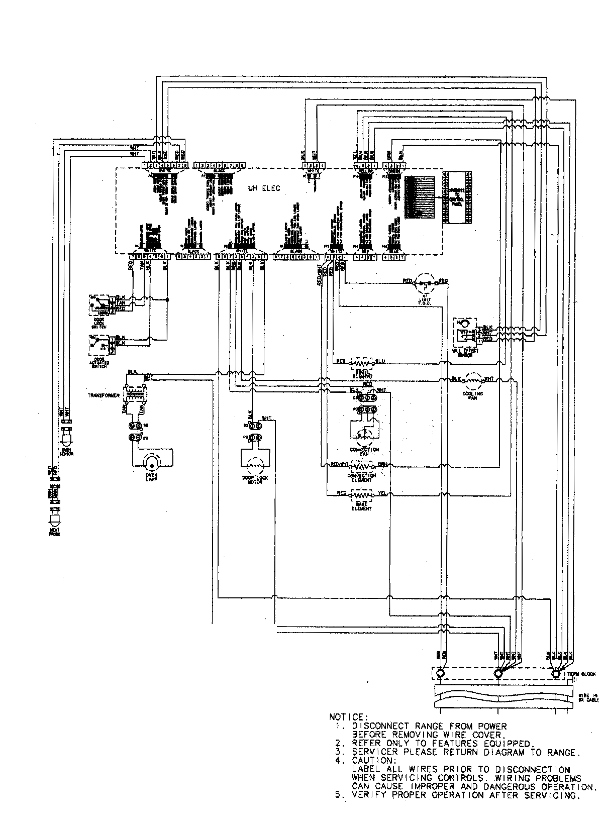
JJW8527DDB 07 – WIRING INFORMATIONadmin2025-04-26T09:32:12+00:00JJW8527DDB 07 – WIRING INFORMATION ProductsPositionProductNIMAY 15003272