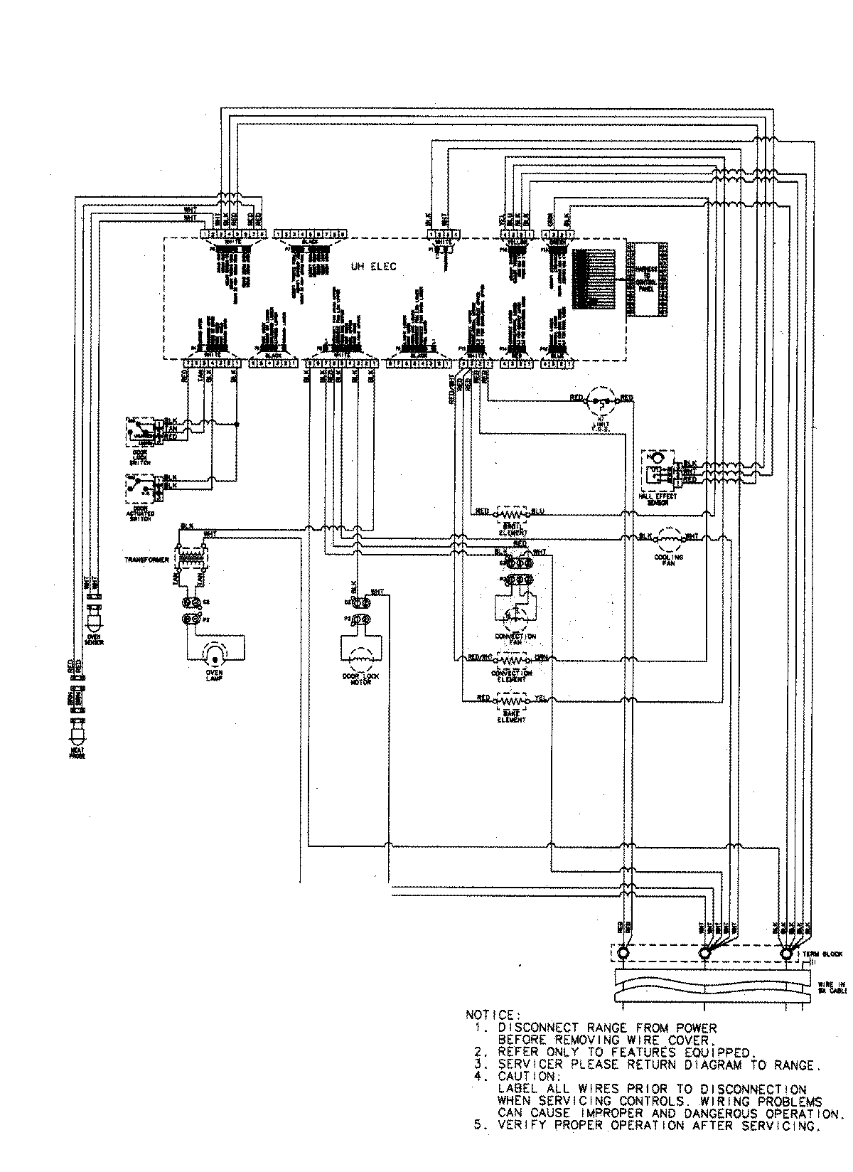
JJW8527DDQ 07 – WIRING INFORMATIONadmin2025-04-26T09:34:19+00:00JJW8527DDQ 07 – WIRING INFORMATION ProductsPositionProductNIMAY 15003272