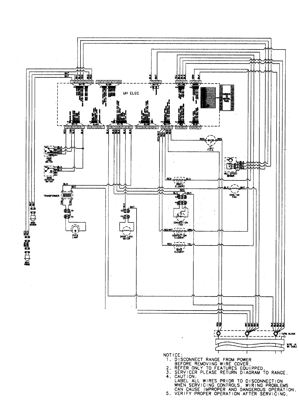
JJW8527DDS 07 – WIRING INFORMATIONadmin2025-04-26T09:32:14+00:00JJW8527DDS 07 – WIRING INFORMATION ProductsPositionProductNIMAY 15003272