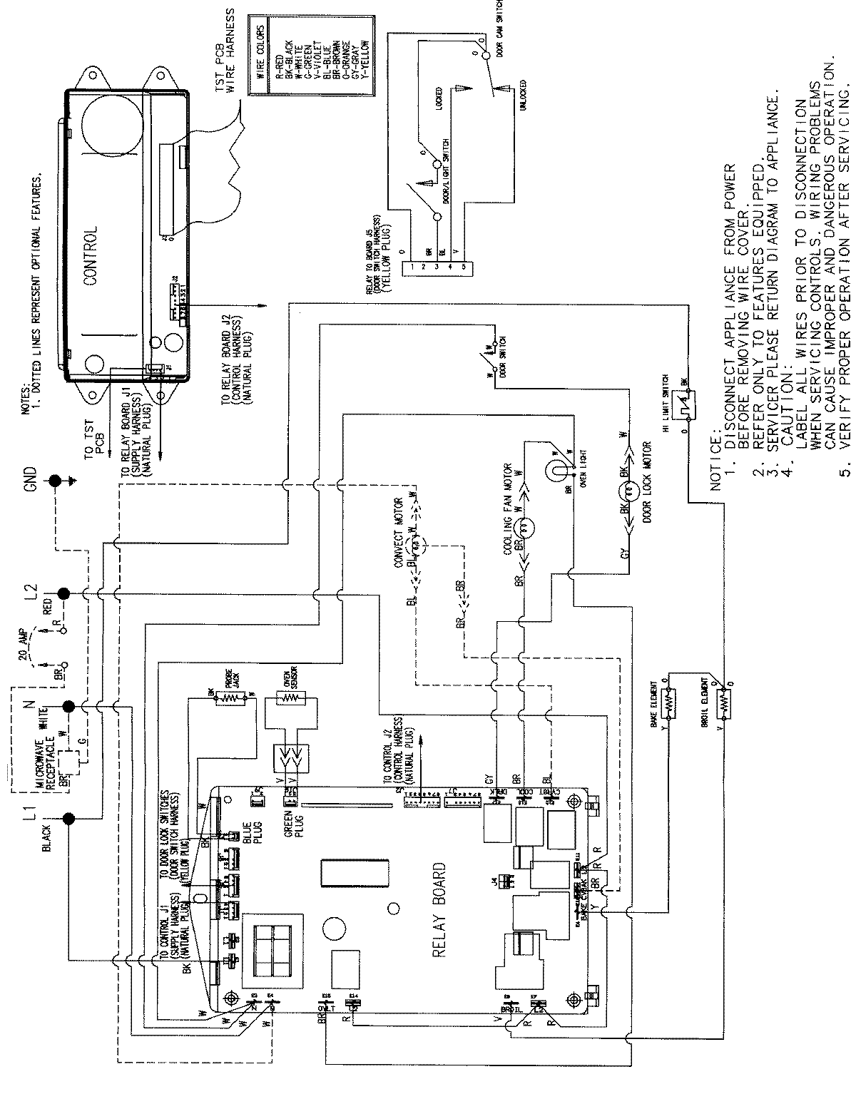
JJW8530AAW 06 – WIRING INFORMATION

JJW8530AAW 06 – WIRING INFORMATION

Products

PositionProduct
NIMAY 15002514