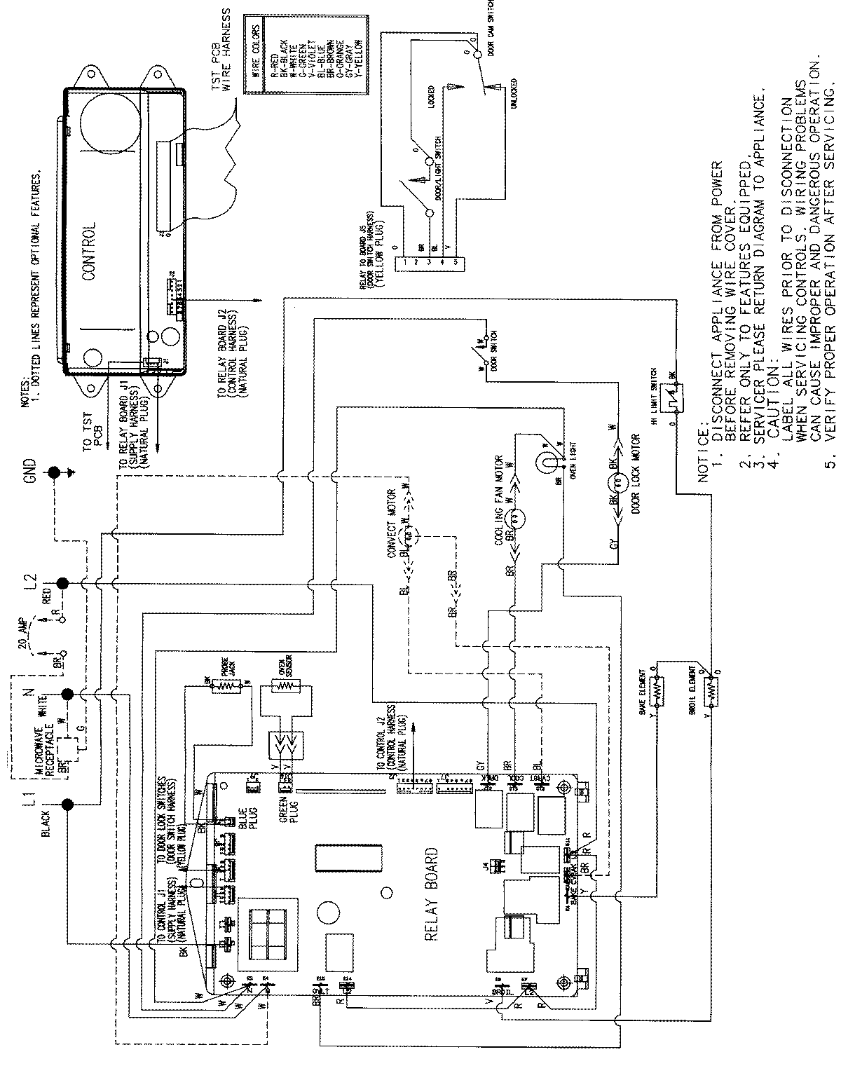
JJW8530BAW 07 – WIRING INFORMATIONadmin2025-04-26T09:34:03+00:00JJW8530BAW 07 – WIRING INFORMATION ProductsPositionProductNIMAY 15002514