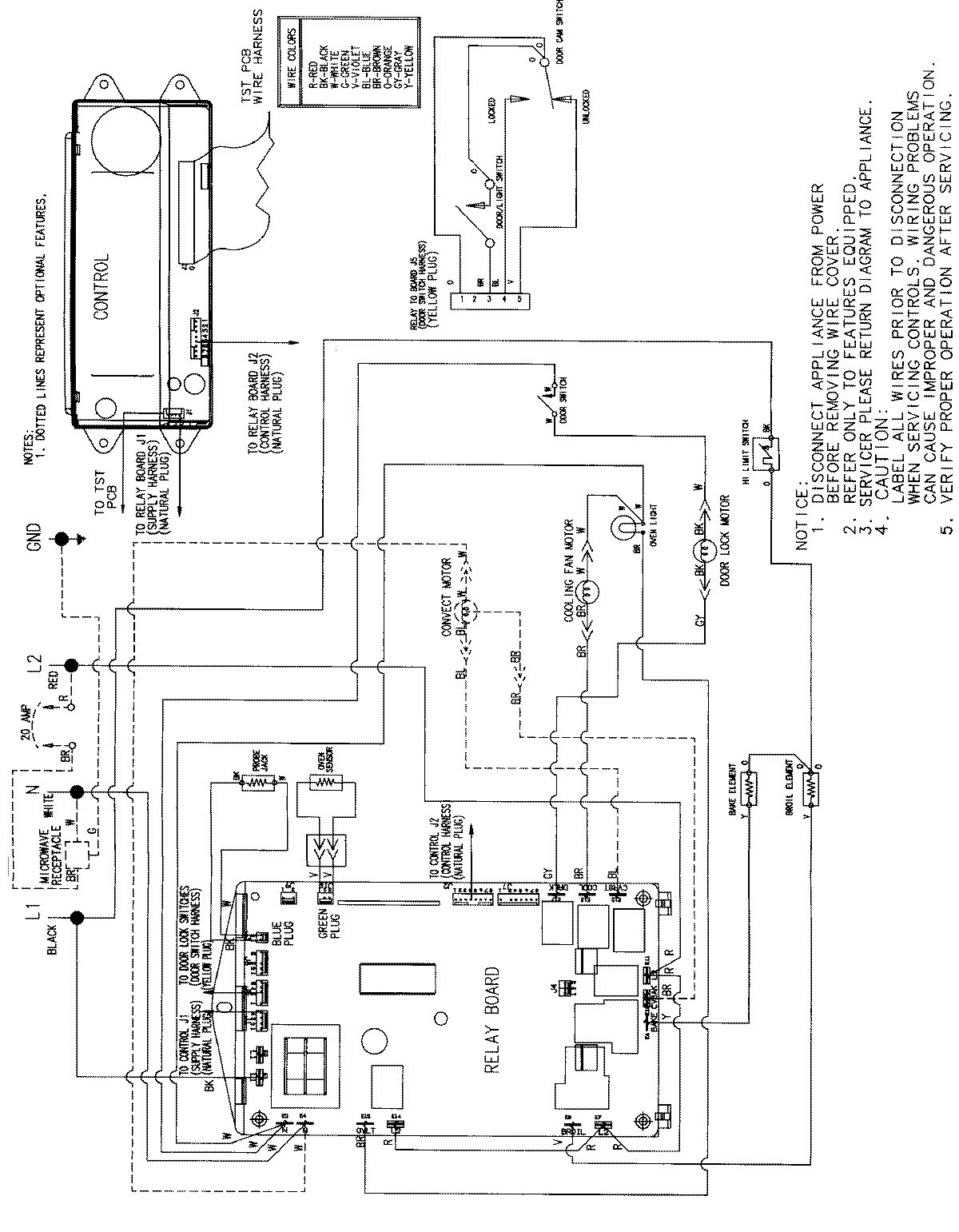
JJW8530CAB 06 – WIRING INFORMATIONadmin2025-04-26T09:34:27+00:00JJW8530CAB 06 – WIRING INFORMATION ProductsPositionProductNIMAY 15002514