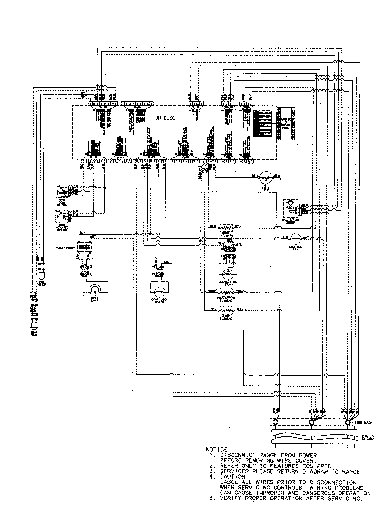
JJW8530DDQ 07 – WIRING INFORMATIONadmin2025-04-26T09:31:35+00:00JJW8530DDQ 07 – WIRING INFORMATION ProductsPositionProductNIMAY 15003272