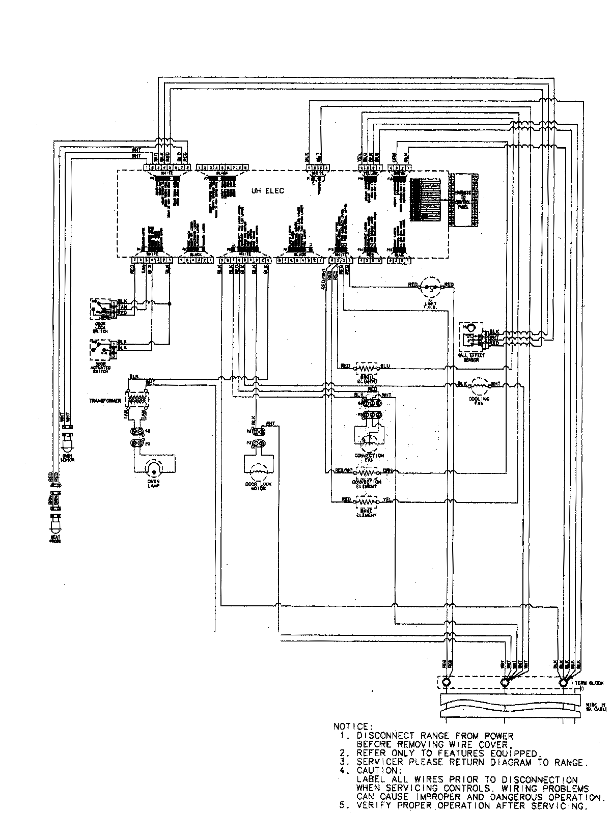
JJW8530DDS 07 – WIRING INFORMATIONadmin2025-04-26T09:31:44+00:00JJW8530DDS 07 – WIRING INFORMATION ProductsPositionProductNIMAY 15003272