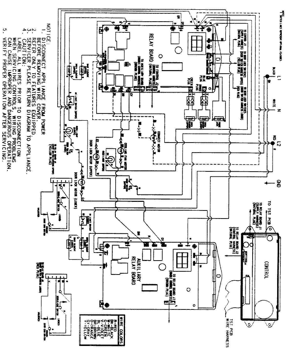
JJW8627AAB 06 – WIRING INFORMATIONadmin2025-04-26T09:32:58+00:00JJW8627AAB 06 – WIRING INFORMATION ProductsPositionProductNIMAY 15002513