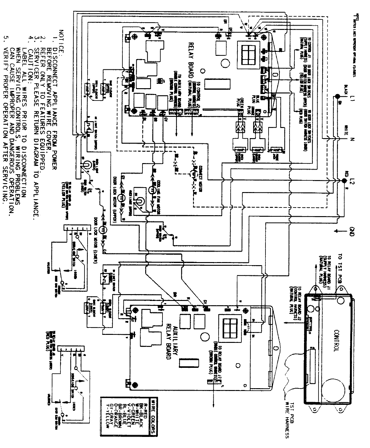
JJW8627BAB 06 – WIRING INFORMATION

JJW8627BAB 06 – WIRING INFORMATION

Products

PositionProduct
NIMAY 15002513