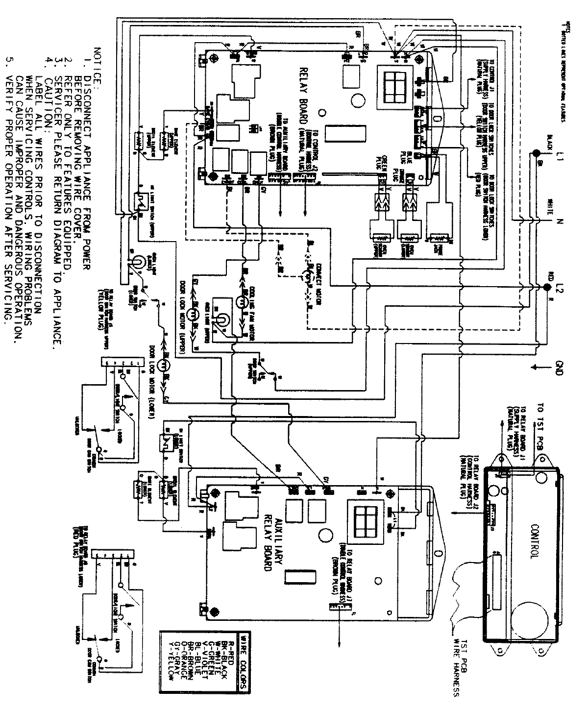
JJW8627BAW 06 – WIRING INFORMATIONadmin2025-04-26T09:33:09+00:00JJW8627BAW 06 – WIRING INFORMATION ProductsPositionProductNIMAY 15002513