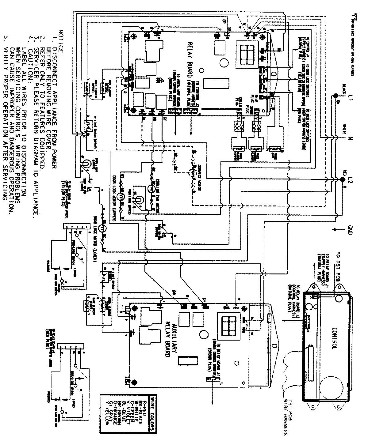
JJW8627CAB 06 – WIRING INFORMATIONadmin2025-04-26T09:32:11+00:00JJW8627CAB 06 – WIRING INFORMATION ProductsPositionProductNIMAY 15002513