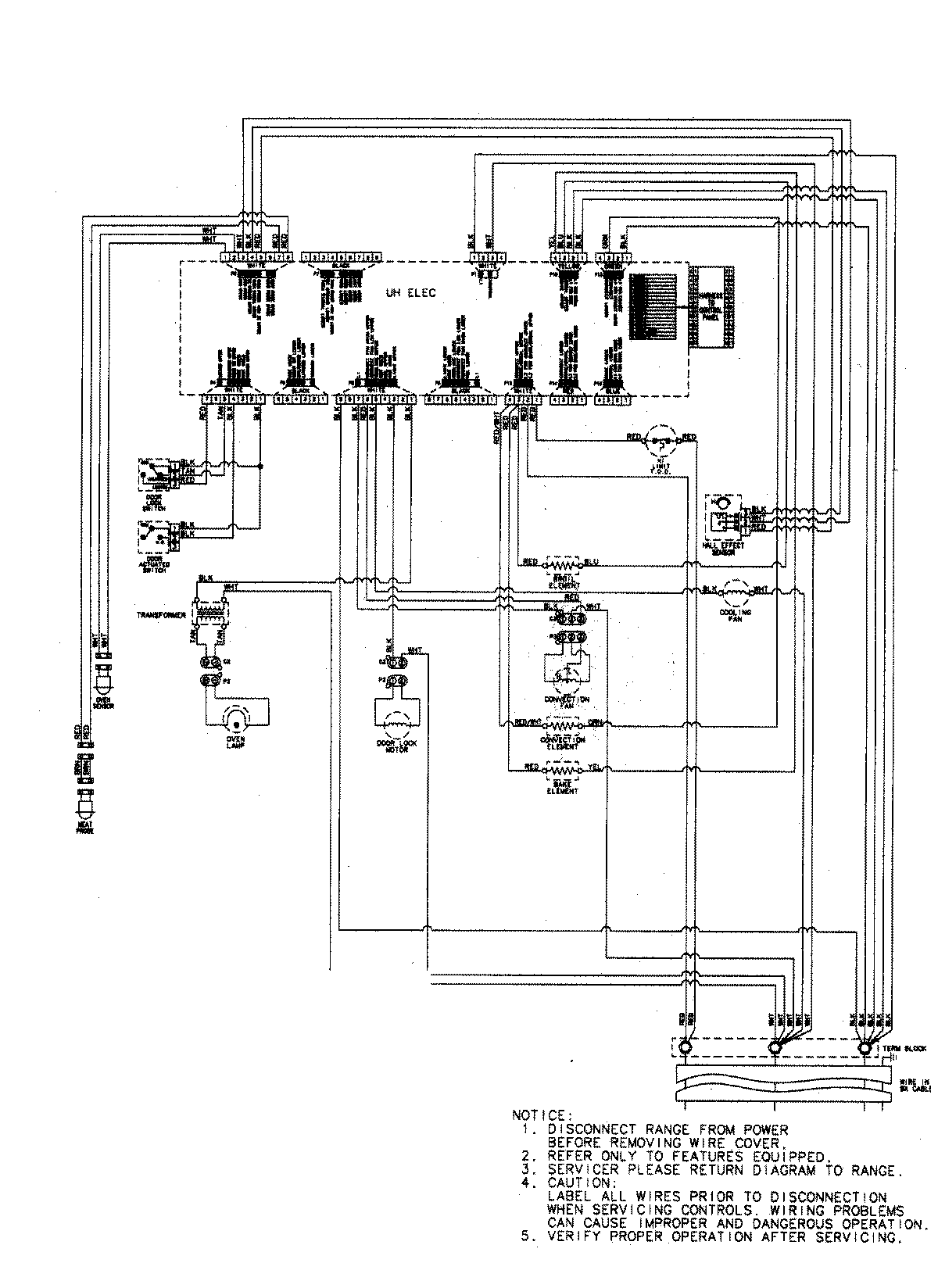
JJW8627DDB 06 – WIRING INFORMATIONadmin2025-04-26T09:32:38+00:00JJW8627DDB 06 – WIRING INFORMATION ProductsPositionProductNIMAY 15003282