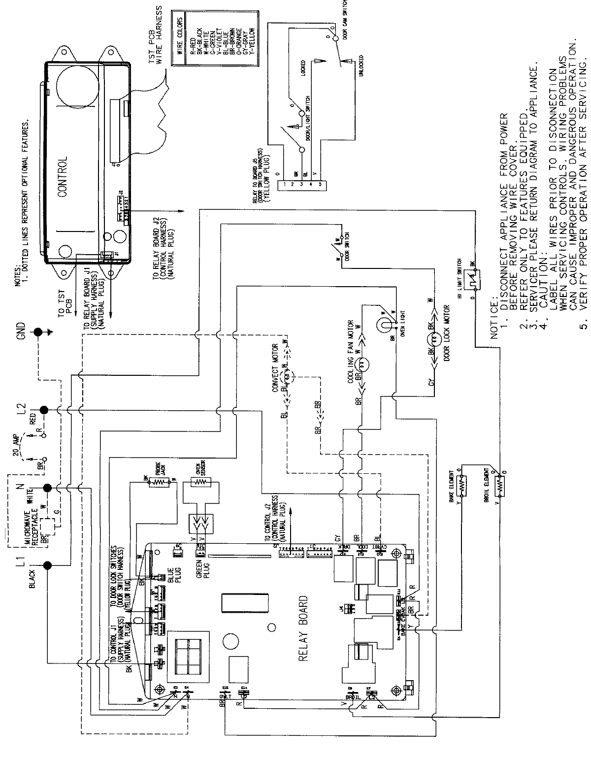
JJW8630CAB 06 – WIRING INFORMATIONadmin2025-04-26T09:35:15+00:00JJW8630CAB 06 – WIRING INFORMATION ProductsPositionProductNIMAY 15002513