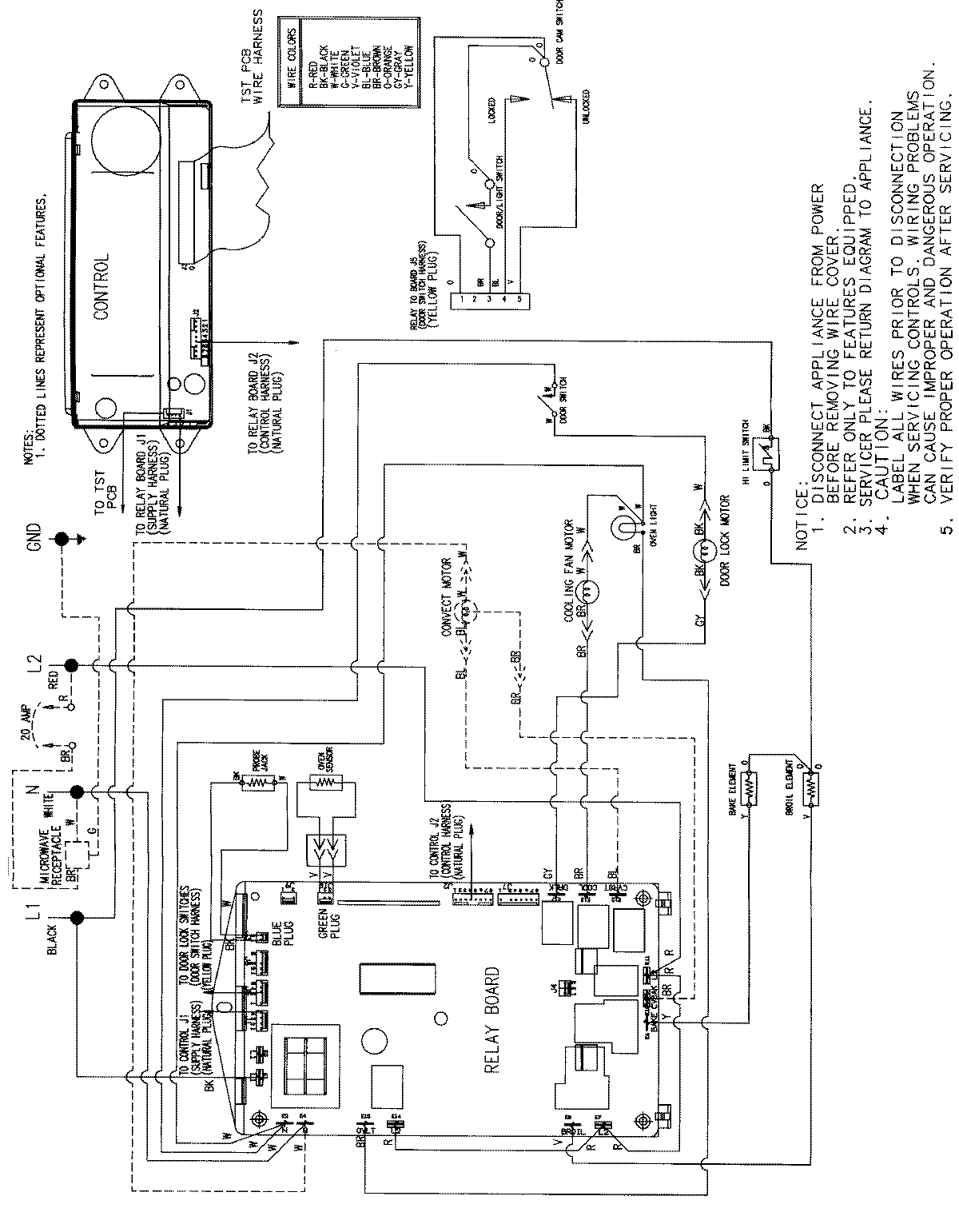
JJW8630CAS 06 – WIRING INFORMATIONadmin2025-04-26T09:34:20+00:00JJW8630CAS 06 – WIRING INFORMATION ProductsPositionProductNIMAY 15002514