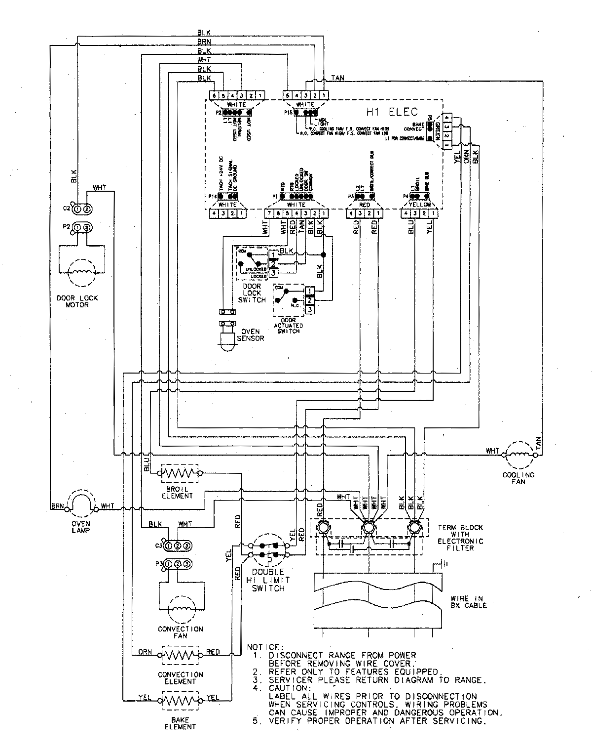
JJW9130DDB 06 – WIRING INFORMATIONadmin2025-04-26T09:33:24+00:00JJW9130DDB 06 – WIRING INFORMATION ProductsPositionProductNIMAY 15003252