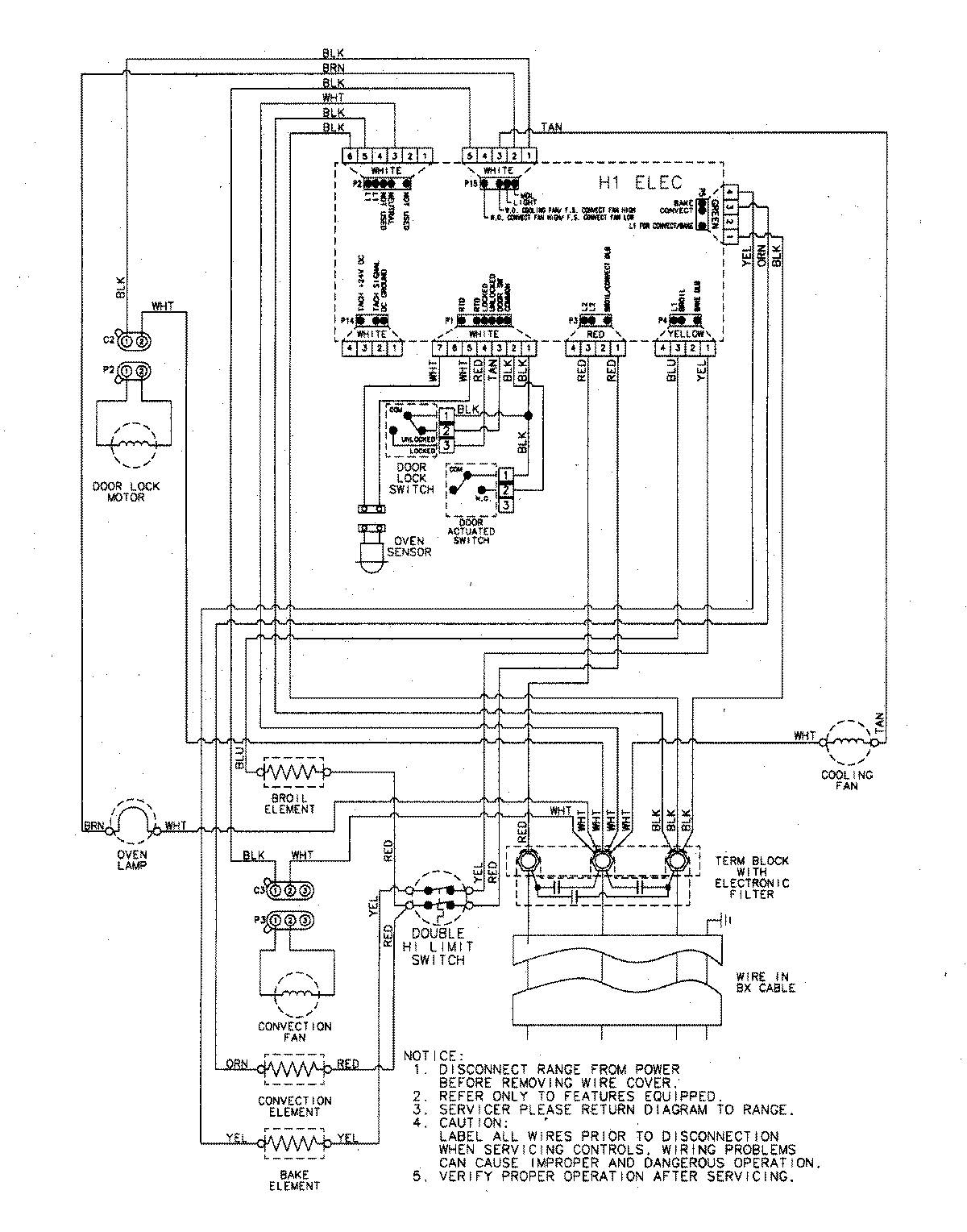
JJW9130DDS 06 – WIRING INFORMATIONadmin2025-04-26T09:35:21+00:00JJW9130DDS 06 – WIRING INFORMATION ProductsPositionProductNIMAY 15003252