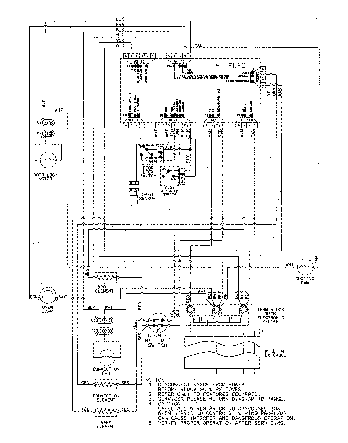
JJW9130DDW 06 – WIRING INFORMATIONadmin2025-04-26T09:34:41+00:00JJW9130DDW 06 – WIRING INFORMATION ProductsPositionProductNIMAY 15003252