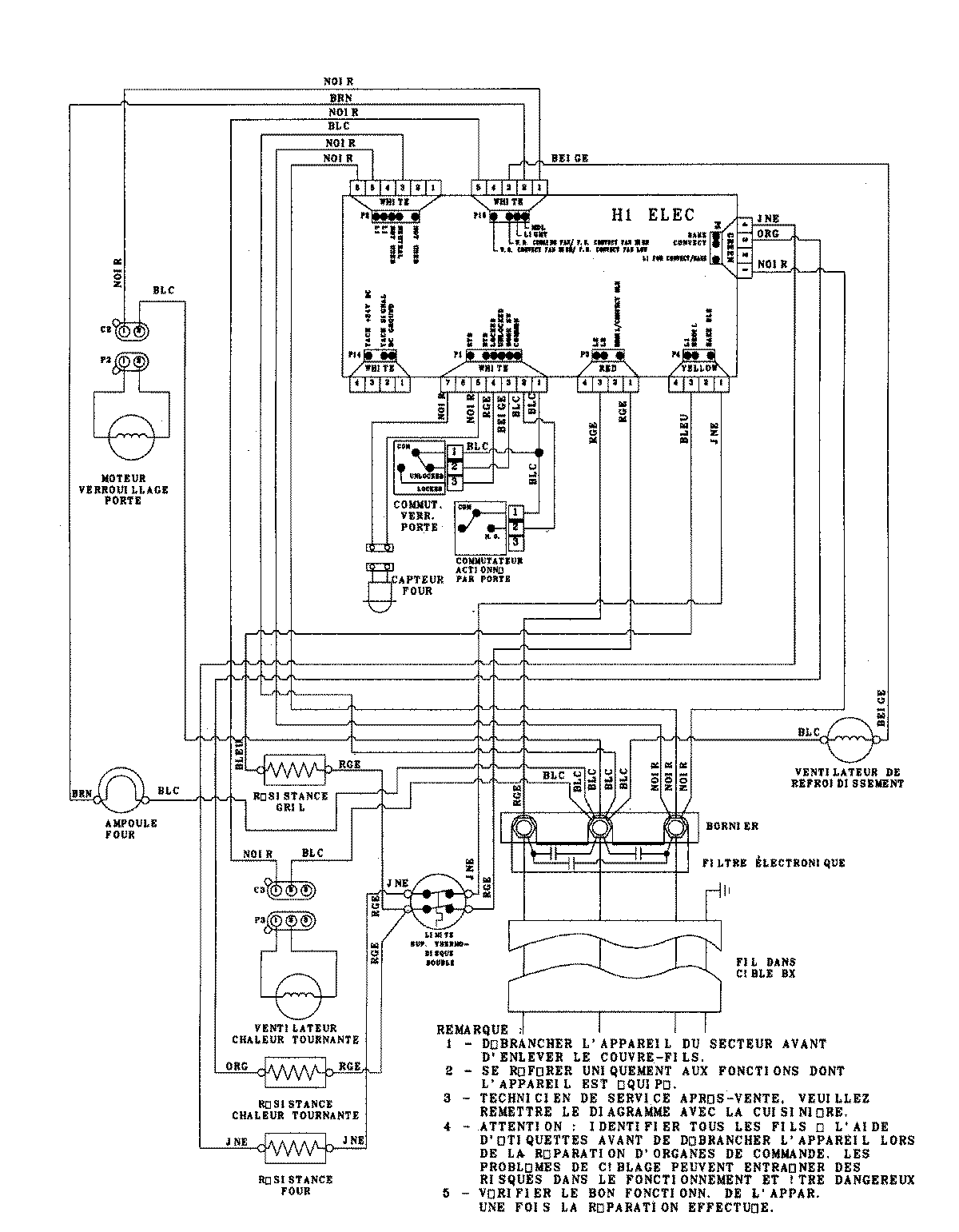
JJW9130DDW 07 – WIRING INFORMATION

JJW9130DDW 07 – WIRING INFORMATION

Products

PositionProduct
1MAY 15003253