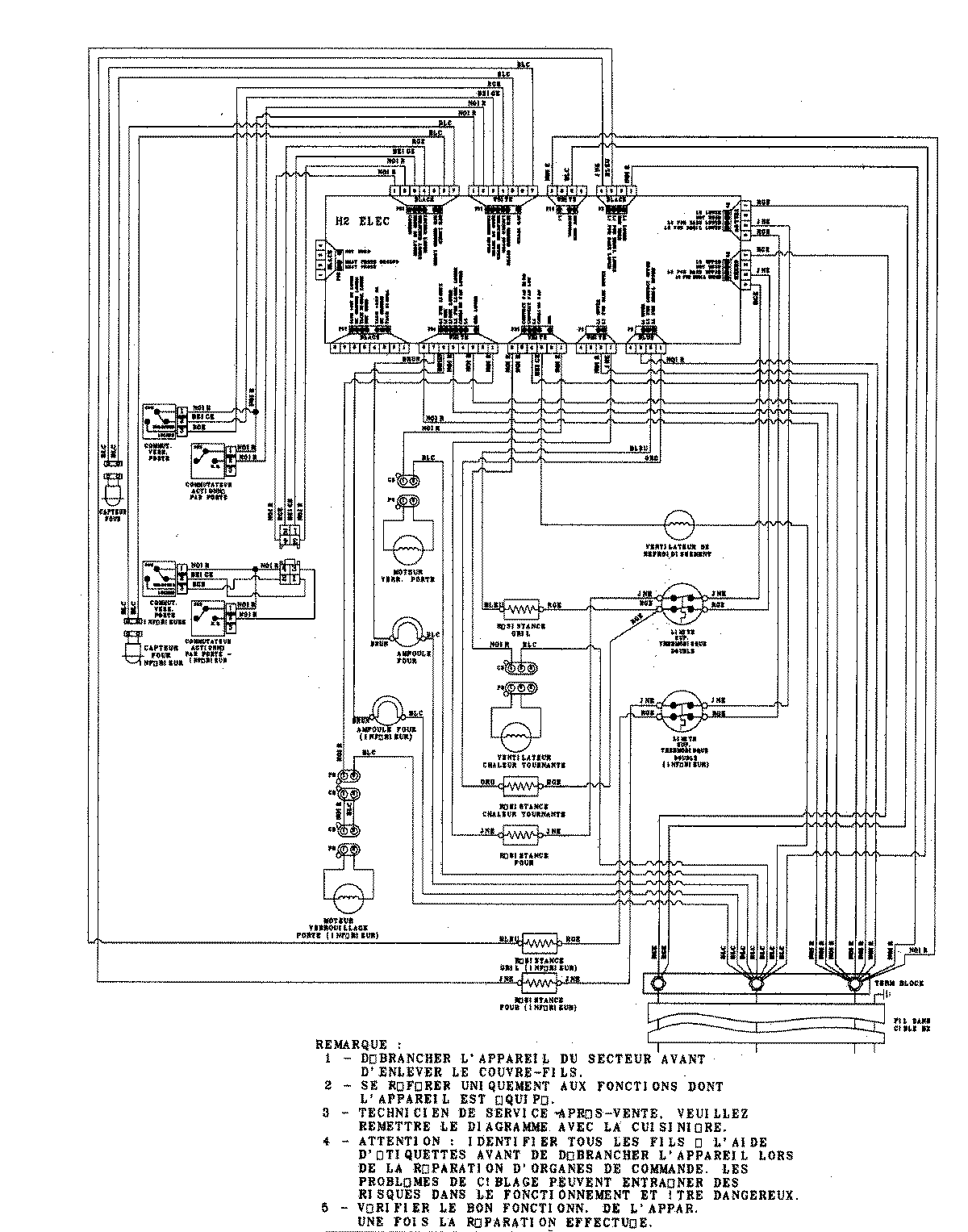
JJW9230DDS 07 – WIRING INFORMATIONadmin2025-04-26T09:34:32+00:00JJW9230DDS 07 – WIRING INFORMATION ProductsPositionProduct1MAY 15003245