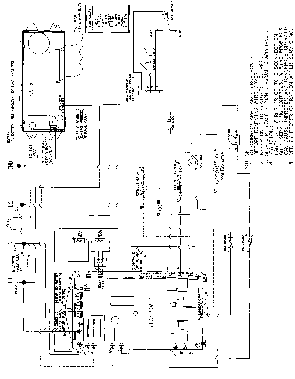
JJW9527AAS 06 – WIRING INFORMATIONadmin2025-04-26T09:35:34+00:00JJW9527AAS 06 – WIRING INFORMATION ProductsPositionProductNIMAY 15002514