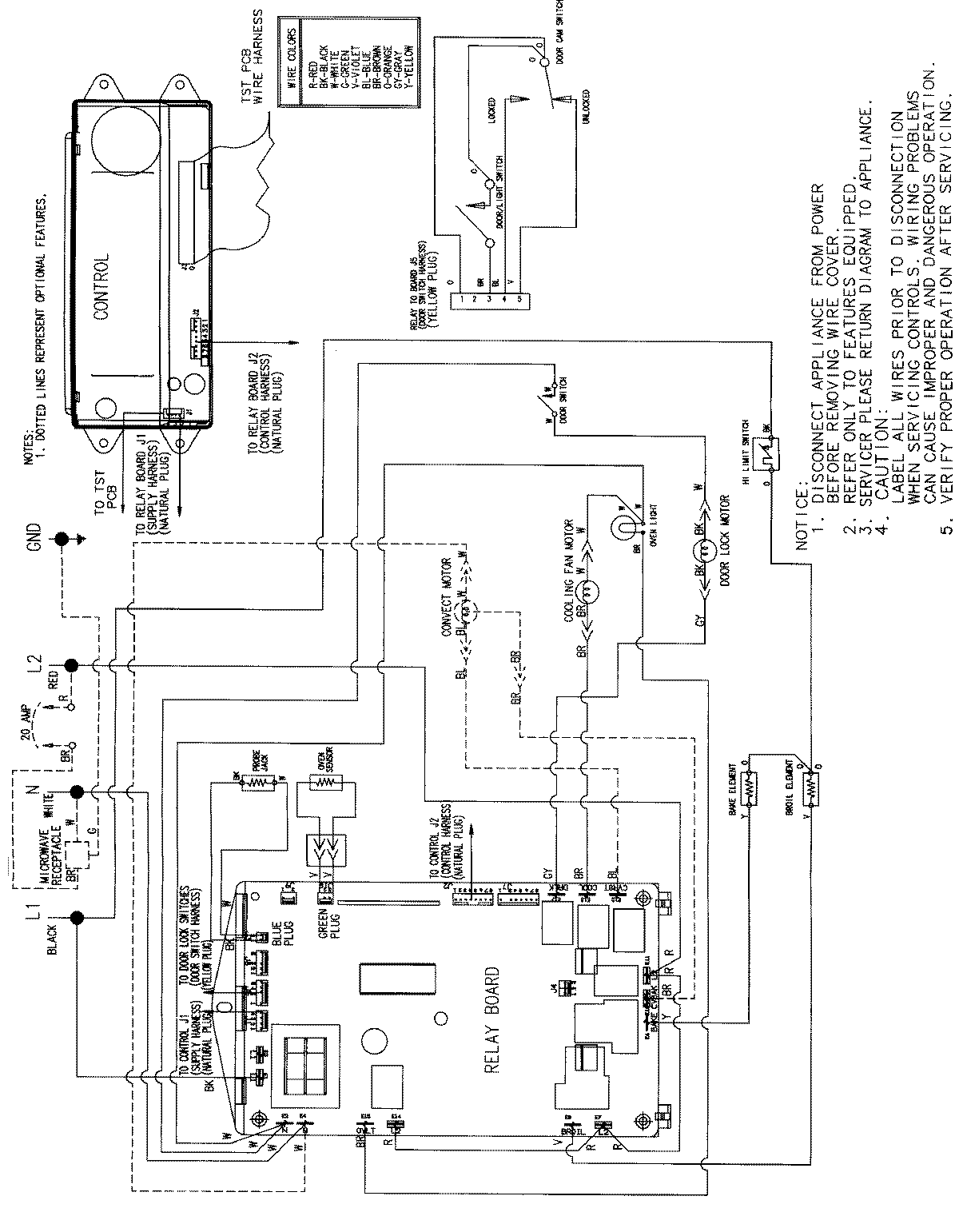
JJW9527BAB 06 – WIRING INFORMATIONadmin2025-04-26T09:35:18+00:00JJW9527BAB 06 – WIRING INFORMATION ProductsPositionProductNIMAY 15002514