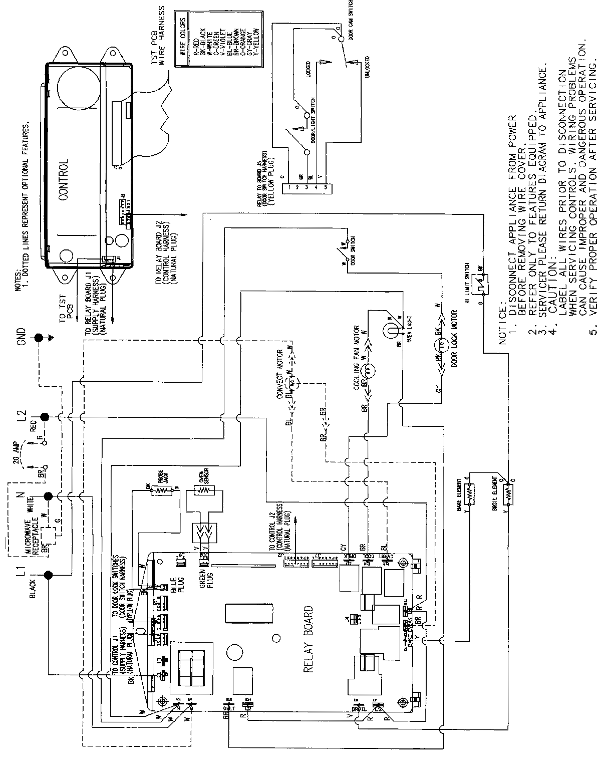
JJW9527BAW 05 – WIRING INFORMATIONadmin2025-04-26T09:37:01+00:00JJW9527BAW 05 – WIRING INFORMATION ProductsPositionProductNIMAY 15002514