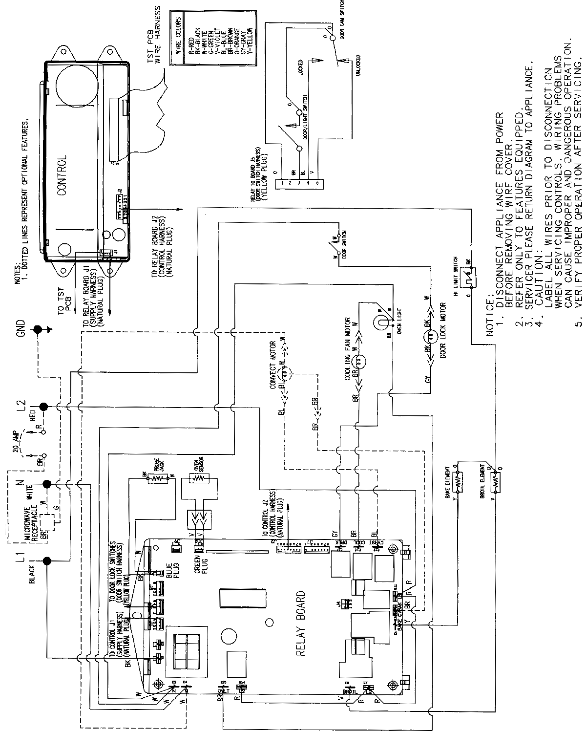
JJW9527CAW 06 – WIRING INFORMATIONadmin2025-04-26T09:33:27+00:00JJW9527CAW 06 – WIRING INFORMATION ProductsPositionProductNIMAY 15002514