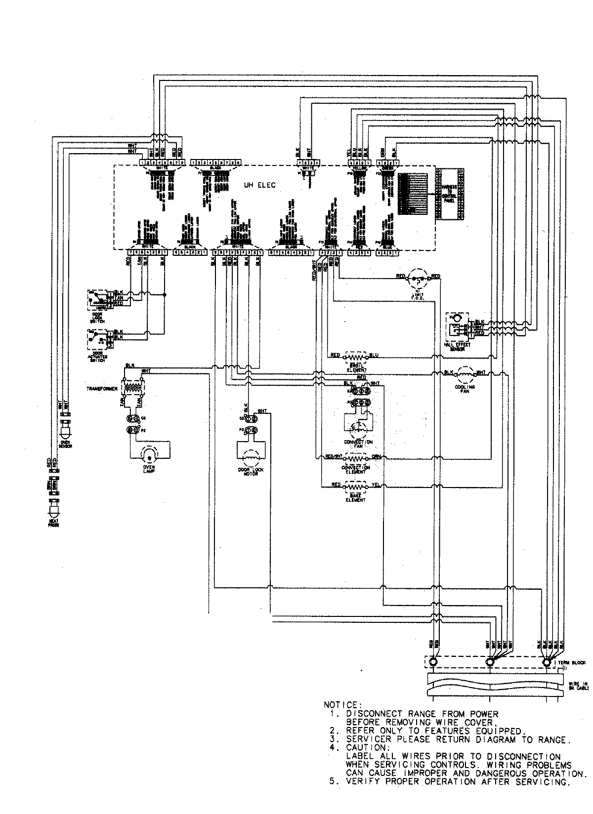
JJW9527DDB 07 – WIRING INFORMATIONadmin2025-04-26T09:35:07+00:00JJW9527DDB 07 – WIRING INFORMATION ProductsPositionProductNIMAY 15003272