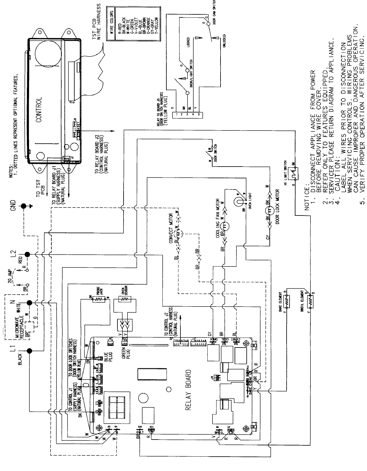
JJW9530AAB 06 – WIRING INFORMATIONadmin2025-04-26T09:37:10+00:00JJW9530AAB 06 – WIRING INFORMATION ProductsPositionProductNIMAY 15002514