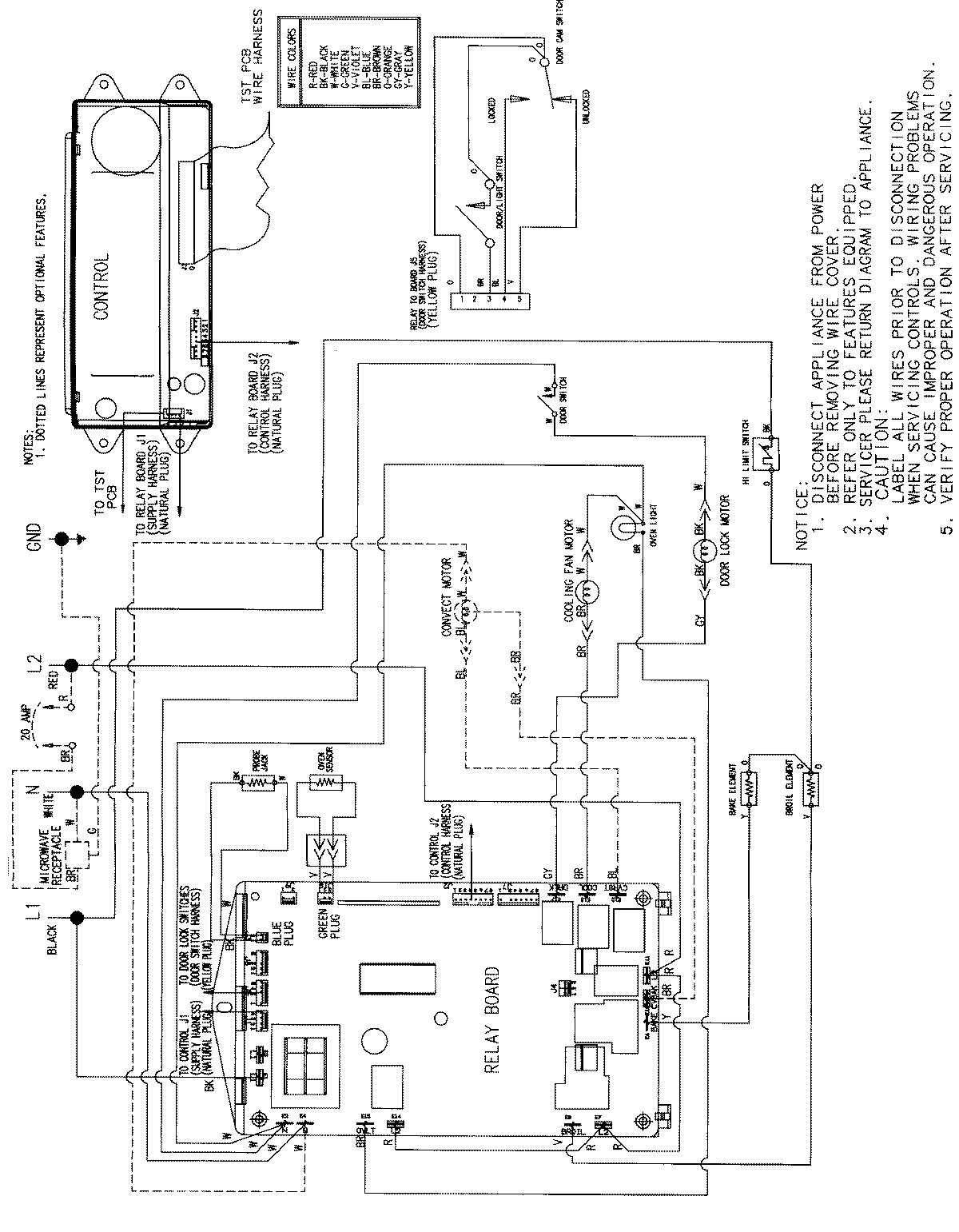
JJW9530AAQ 06 – WIRING INFORMATIONadmin2025-04-26T09:37:18+00:00JJW9530AAQ 06 – WIRING INFORMATION ProductsPositionProductNIMAY 15002514