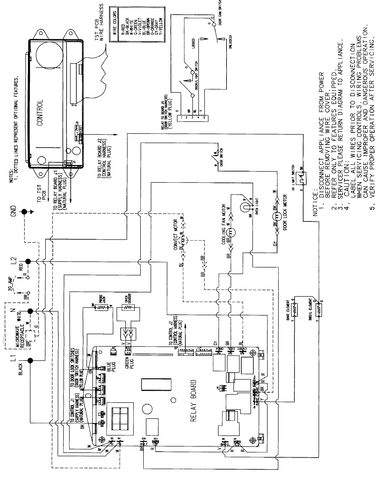
JJW9530BAB 06 – WIRING INFORMATIONadmin2025-04-26T09:36:57+00:00JJW9530BAB 06 – WIRING INFORMATION ProductsPositionProductNIMAY 15002514