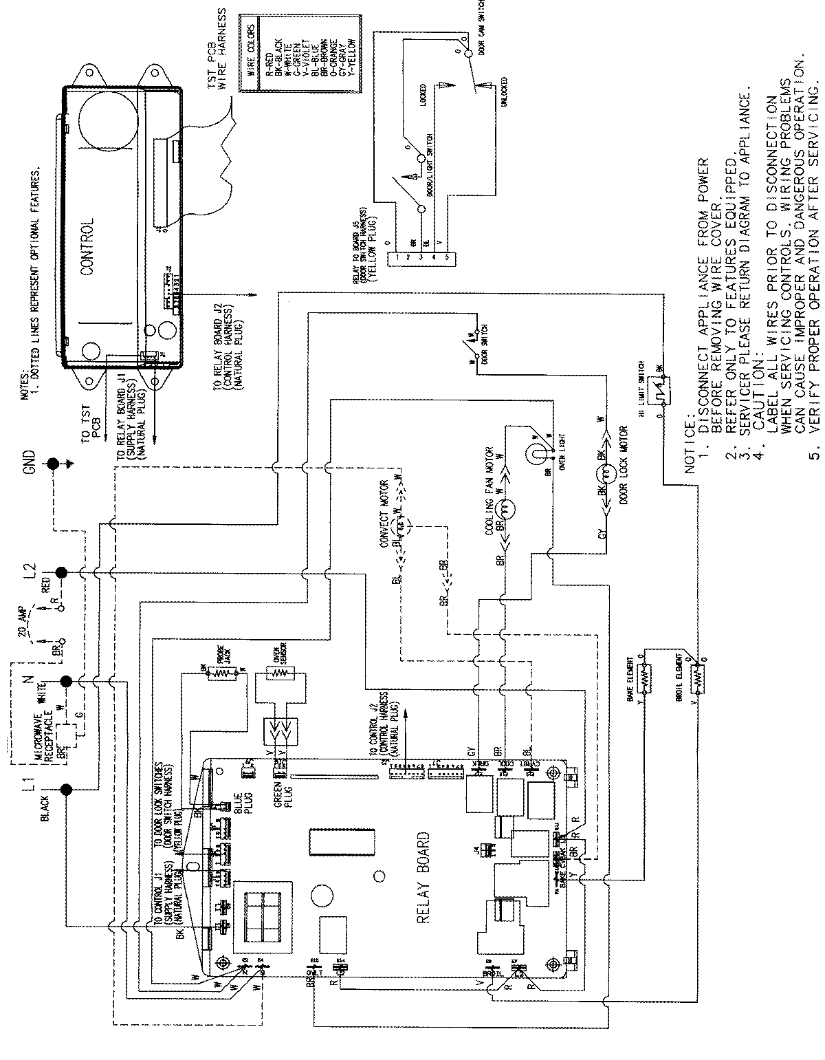
JJW9530BAQ 05 – WIRING INFORMATIONadmin2025-04-26T09:35:11+00:00JJW9530BAQ 05 – WIRING INFORMATION ProductsPositionProductNIMAY 15002514