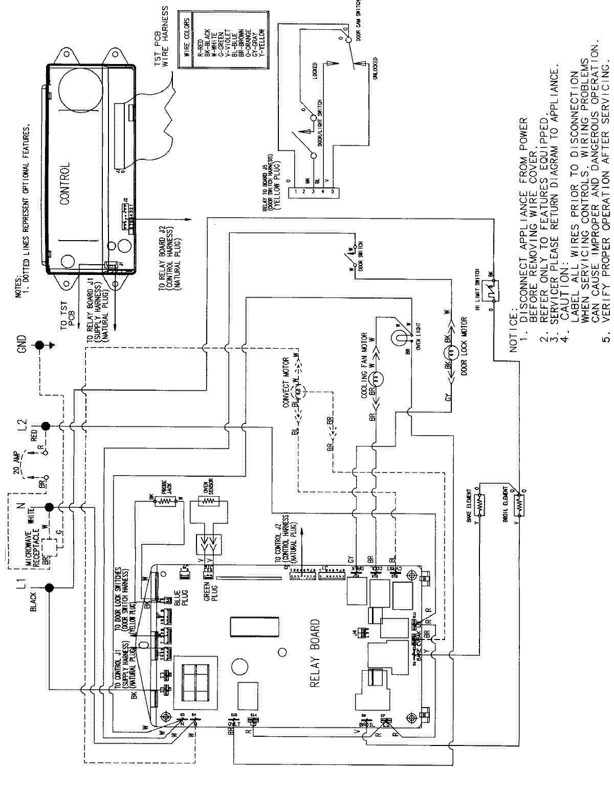
JJW9530BAS 06 – WIRING INFORMATIONadmin2025-04-26T09:35:14+00:00JJW9530BAS 06 – WIRING INFORMATION ProductsPositionProductNIMAY 15002514