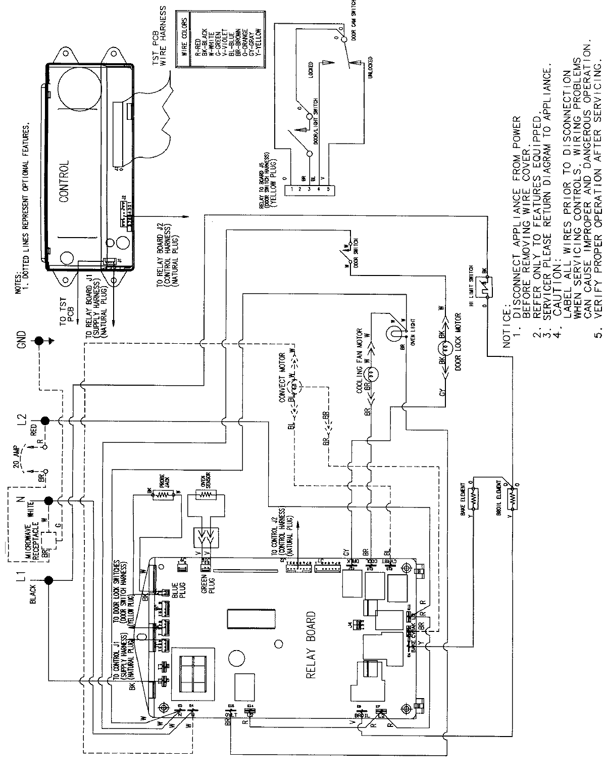
JJW9530CAQ 06 – WIRING INFORMATIONadmin2025-04-26T09:36:32+00:00JJW9530CAQ 06 – WIRING INFORMATION ProductsPositionProductNIMAY 15002514