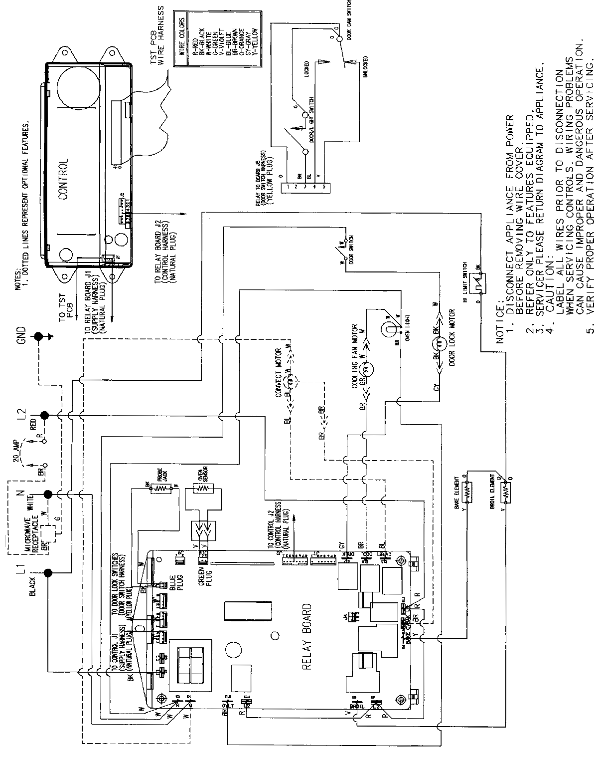
JJW9530CAS 06 – WIRING INFORMATIONadmin2025-04-26T09:36:30+00:00JJW9530CAS 06 – WIRING INFORMATION ProductsPositionProductNIMAY 15002514