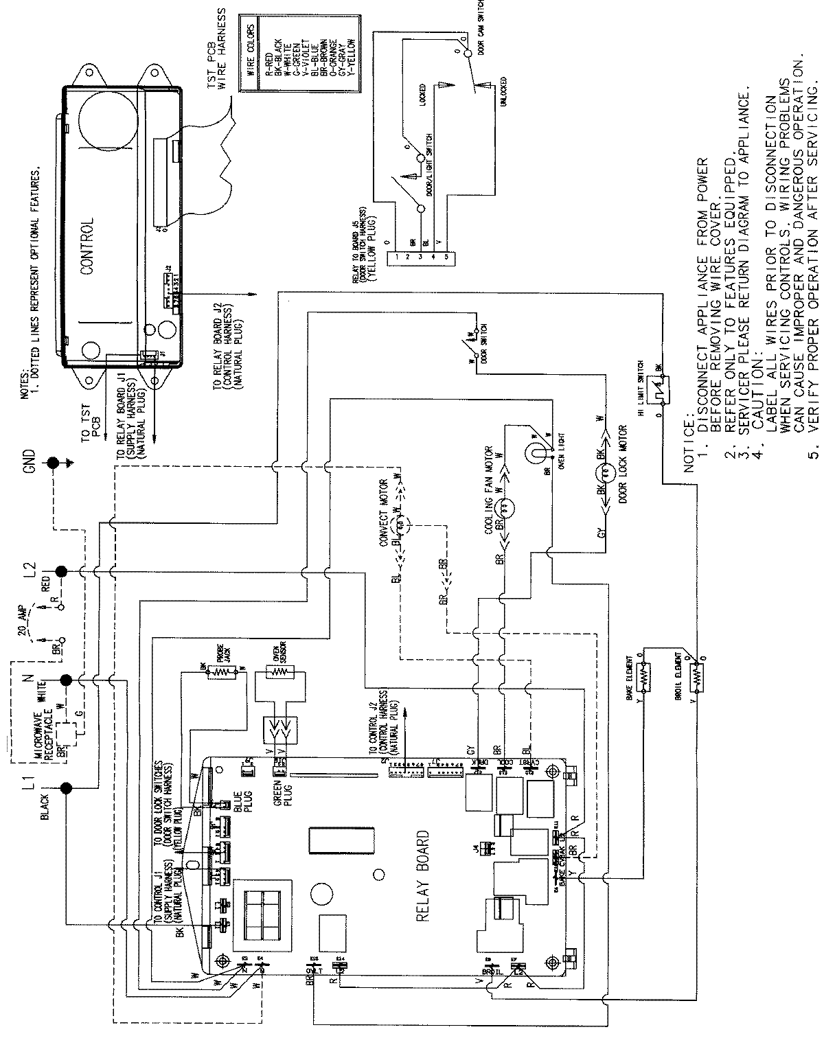
JJW9530CAW 06 – WIRING INFORMATIONadmin2025-04-26T09:34:45+00:00JJW9530CAW 06 – WIRING INFORMATION ProductsPositionProductNIMAY 15002514