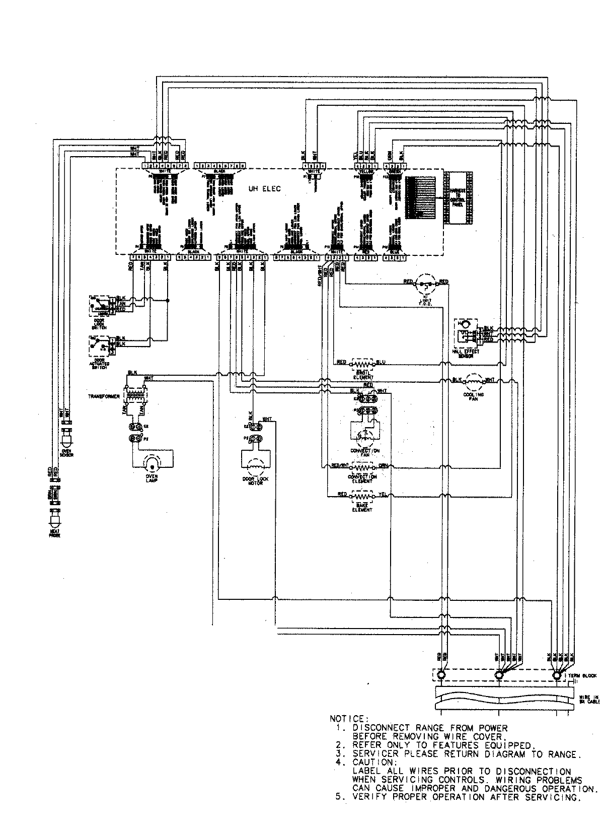
JJW9530DDB 07 – WIRING INFORMATIONadmin2025-04-26T09:37:19+00:00JJW9530DDB 07 – WIRING INFORMATION ProductsPositionProductNIMAY 15003272